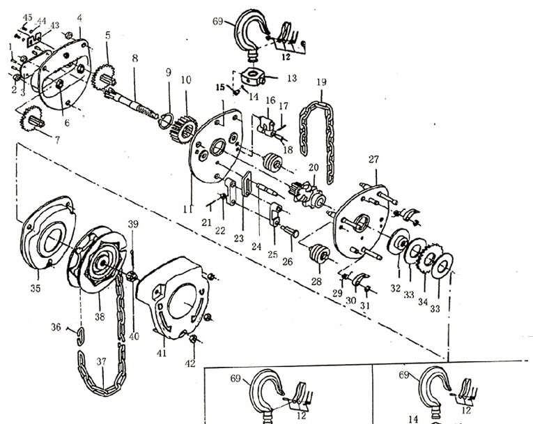
双鸽牌手拉葫芦HS-V型5吨

![]()
双鸽牌HS-V手拉葫芦是一种使用方便的手动起重机械,适用于工厂、矿山、建筑工地、仓库码头等安装机器和吊
运货物,对露天和无电源作业更能显示其功用。手拉葫芦还可与手拉猫咪视频下载配套使用,用于单轨架空运输、手动
单梁桥式或悬臂式起重机上。

![]()
双鸽牌HS-V手拉葫芦是中国传统名牌产品,采用国际标准生产,具有五大特点:
1、外形美观,结构先进。
2、体积小,重量轻,便于携带。
3、机械效率高、手链拉力小。
4、机件强度高、使用安全可靠
5、维护简便,经久耐用。
![]()


![]()






上一条:10吨双鸽手拉葫芦